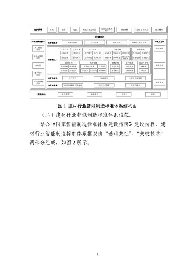
建设砂石骨料领域智能装备、矿山、工厂、赋能技术等智能制造标准

据中国砂石网获悉,近日,工信部印发《建材行业智能制造标准体系建设指南(2021版)》(以下简称《指南》),明确到2023年,初步建立建材行业智能制造标准体系,制定不少于20项相关标准;对于智能化水平较高的细分领域,实现智能装备、智能矿山、智能工厂标准基本覆盖,重要的智能服务、智能赋能技术、集成互联标准有所覆盖;其他细分领域优先制定智能工厂标准;实现重要关键技术标准在行业示范应用。到2025年,建立较为完善的建材行业智能制造标准体系,制定不少于40项相关标准;智能化水平较高的细分领域智能制造标准较完善;其他细分领域智能工厂标准全面覆盖,重点智能服务、智能赋能技术、集成互联标准有所覆盖;实现智能制造标准在行业广泛应用。《指南》的发布对砂石行业智能制造标准化工作开展具有重要意义。
其中,砂石骨料等智能化升级改造,制定的智能制造标准可包括:
(1)智能装备:规范凿岩机器人、智能巡检机器人、智能潜孔钻机、智能牙轮钻机、智能装药车、智能挖掘机、智能卡车、输送机巡检机器人等智能设备的通信接口、统一标识、数据接口和数据字典等技术标准。
规范砂石骨料领域破碎筛分设备、智能铲运机、智能卡车等智能工艺装备的功能、数据传输、状态监控、运维参数、与其他软件系统集成等技术标准。
(2)智能矿山:规范数字化地质资源管理系统的功能要求、通信规范、数据交互等技术标准;规范实时监控、动态调度、资源优化等采矿管理技术标准;规范采矿装备高精度定位系统、采矿装备远程操控系统、采矿装备精细化管理系统、固定式作业装备远程控制系统等采矿装备控制系统的数据采集、通信网络、输入输出模件等技术标准;规范精细化配矿系统、矿石质量检测系统、矿区卡车智能调度系统的功能要求、数据采集、系统集成等技术标准;规范矿区设备实时监测、智能检维修、故障预警等设备管理技术标准;规范矿山生产实时监控等安全管理技术标准;规范矿山环境在线监测等环保管理技术标准。规范原材料堆场、取料机等设备无人值守技术标准;
(3)智能工厂:规范 DCS 及上位机监控系统、FCS 控制系统、智能电气控制系统等控制系统的数据采集、通信网络、输入输出模件等技术标准;规范砂石骨料分析与监测、生产调度、能源管理、环保监控、安全防控等环节的数据采集、功能要求、数据交互、接口规范等技术标准。
(4)智能赋能技术:规范数字孪生技术应用于矿山仿真建模场景、5G 技术应用于采矿车辆调度场景等智能赋能技术应用标准。
另据中国砂石网了解,在附件的建材行业智能制造标准拟制定清单中明确:标准名称-砂石骨料智能工厂通用技术要求,标准体系编号:BGC、标准名称-砂石骨料智能物流管理技术规范,标准体系编号:BGCG。

以下为原文:

工业和信息化部办公厅关于印发《建材行业智能制造标准体系建设指南(2021版)》的通知
工信厅科〔2021〕58号
各省、自治区、直辖市工业和信息化主管部门,有关行业协会、标准化技术组织和专业机构:
为贯彻落实《国家标准化发展纲要》,加强智能制造标准的统筹规划,切实发挥标准对推动建材行业智能制造发展的支撑和引领作用,工业和信息化部依据《建材工业智能制造数字转型行动计划(2021-2023年)》和《国家智能制造标准体系建设指南(2021版)》,组织编制了《建材行业智能制造标准体系建设指南(2021版)》。现印发给你们,请结合本行业(领域)、本地区实际,在标准化工作中贯彻执行。
工业和信息化部办公厅
2021年12月28日
























文 | 刘钗 · 审核 | 张朋
来源:工业和信息化部

声明:本订阅号不以商业营利为目的,部分文字内容或图片如涉及侵权,请版权持有者联系我们,我们会补上相关作者及出处,感谢您的辛勤创作。
注明:本文章来源于互联网,如侵权请联系客服删除!
